


Описание и характеристики
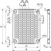
ПЛАТА ПЕРФОРИРОВАННАЯ 400Х300Преимущества: Шкафы Spacial, Thalassa и система Prisma Plus объединены в единое целое для использования в промышленных целях: Высокая стойкость к воздействиям неблагоприятной окружающей среды и большим нагрузкам, Шкафы имеют степень защиты IP55 и обладают высокой стойкостью внешнему механическому воздействию IK10, сделаны из стали толщиной 1,8 мм.Применение: Различные сферы промышленности, энергетика и инфраструктуры.
ТНВЭД
7326909409
Высота
400 мм
Ширина
300 мм
Показать все характеристики