8 (800) 55-11-052
zakaz@rosek.ru
Прием звонков: ПН-ПТ 7:00-18:00 по МСК
Официальный сайт
Товары
Спецификации
Заказы
Документы
КП
Корзина
Московская область
Войти
Каталог
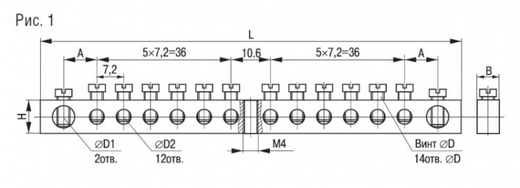
Шина нулевая Navigator 71 148 NBB-69-14-1(кр.10шт)
Главное
Подробное описание
Связанные товары
Аналоги
Щиты и шкафы, шинопровод
Системы сборных шин
Код производителя:
71148
Код РАЭК:
533721
Код ЭТМ:
7671935
Бренд:
Navigator
цена
По запросу
наличие
Под заказ
шт
в корзину
добавить в…
Добавить в изб ранное
Поделиться
Подобрать аналог
Связанные товары
Описание и характеристики
ТНВЭД
8536901000
Количество соединений
14
Номин. ток
100
А
Показать все характеристики
Связанные товары
Аналоги